厦门东历电机5IK90A-S2 东历三相异步电机
厦门东历电机5IK90A-S2 东历三相异步电机
产品价格:(人民币)
  • 规格:5IK90A-S2
  • 发货地:广东深圳市
  • 品牌:
  • 最小起订量:1台
  • 免费会员
    会员级别:试用会员
    认证类型:企业认证
    企业证件:通过认证

    商铺名称:深圳市东力电机有限公司

    联系人:聂伟(先生)

    联系手机:

    固定电话:

    企业邮箱:3033834423@qq.com

    联系地址:深圳市宝安区沙井街道东塘社区东塘旧村一巷六号三层

    邮编:

    联系我时,请说是在智能安防网上看到的,谢谢!

    商品详情


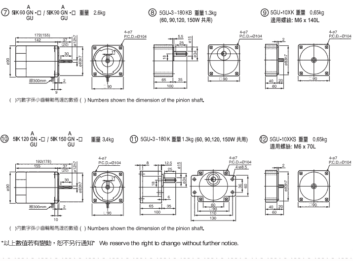
                  厦门东历电机 台湾东力电机 深圳东力电机 东历90W小型三相异步电机厂家直销




           厦门东历电机5IK90A-S2主要特性是采用三相220V电源,圆齿轴,额定运转为连续运转,90W输出功率,装置尺寸90MM,采用E级绝缘。电机体积小,重量轻,运行平稳,耗能低,噪音低,节能环保安装方便,安装方便,操作简单安全。


        









           台湾东力电机5IK90A-S2广泛应用在CNC工具机械设备,立体停车机械设备,新能源机械设备,电子电气机械设备,自动化机械设备,航空机械设备,医疗机械设备,智能化机械设备,船舶机械设备,汽车工业机械设备等等。











            深圳东力电机5IK90A-S2采用进口配件,精密安装,一体式压铸外壳,锌合金鼠笼式转子,硅钢定子,NSK轴承及特殊油脂保障电机长时间在恶劣环境中轴承运转。


          










           东历三相异步电机5IK90-S2内部采用防水泡沫和保丽龙包装,定制纸箱及气泡袋包裹,委托物流快递运输公司提供送货上门服务。公司从客户选型,安装,调试以及后期维护工程师全程提供技术支持。



       

















             厦门东历电机5IK90A-S2参数; 

                                                                                   90W  220V IP20  2.8Kg
                                                                                   50Hz  0.70A   1300r/min
                                                                                     60Hz  0.56A    1550r/min

           

             



              








    0571-87774297