长高高压电力ZN12-40.5户内真空断路器35KV柜内用开关
长高高压电力ZN12-40.5户内真空断路器35KV柜内用开关
产品价格:¥3400.00(人民币)
  • 规格:可开具
  • 发货地:浙江温州
  • 品牌:
  • 最小起订量:1
  • 免费会员
    会员级别:试用会员
    认证类型:企业认证
    企业证件:通过认证

    商铺名称:江西长高高压电力设备有限公司

    联系人:龙玲(小姐)

    联系手机:

    固定电话:

    企业邮箱:longlong8188@163.net

    联系地址:江西省南昌市南昌高新技术产业开发区绿地新都会紫峰大厦

    邮编:330000

    联系我时,请说是在智能安防网上看到的,谢谢!

    商品详情
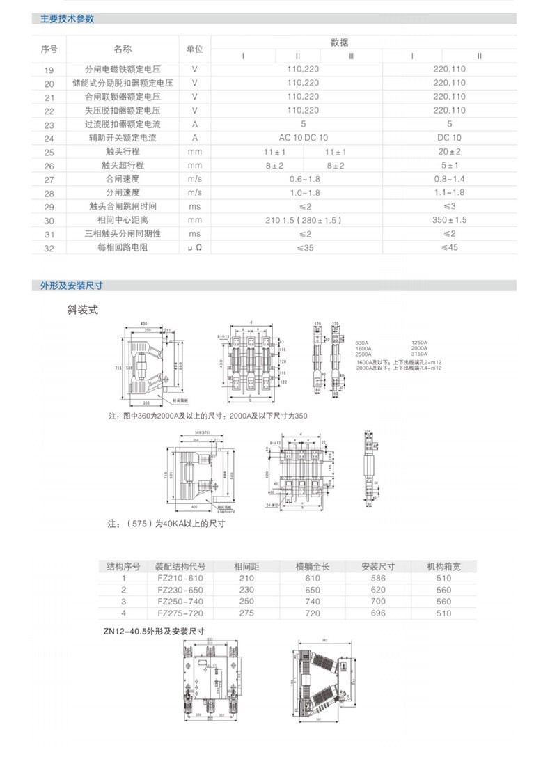
      产品参数
      极数3P
      型号ZN12-40.5
      电寿命10000
      加工定制
      额定频率50HZ
      灭弧方式真空断路器
      是否进口
      产品名称真空断路器
      物料编号156999
      响应时间0.03
      最小包装数1
      封装
      数量9999
      批号15199
      品牌长高









    0571-87774297