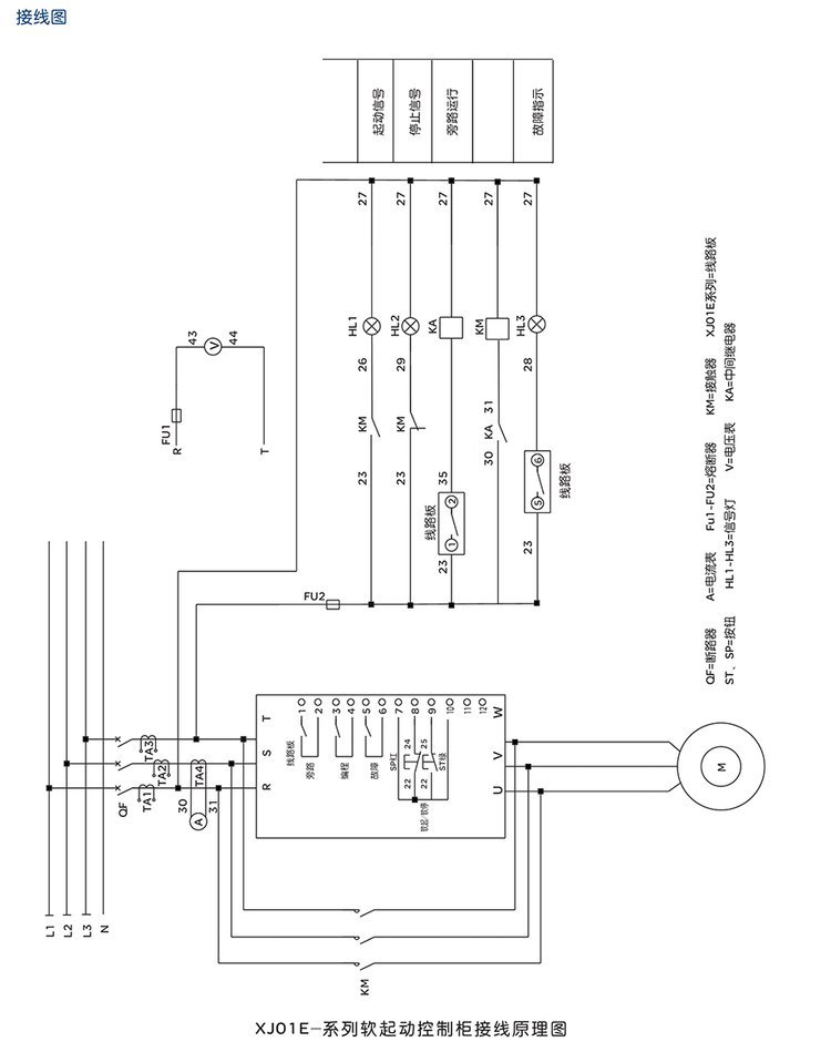
中国人民电器XJ01E-110KW软起动器控制柜电器控制成套
中国人民电器XJ01E-110KW软起动器控制柜电器控制成套
产品价格:¥7000.00(人民币)
  • 规格:完善
  • 发货地:浙江省温州市
  • 品牌:
  • 最小起订量:1
  • 免费会员
    会员级别:试用会员
    认证类型:企业认证
    企业证件:通过认证

    商铺名称:人民电器集团有限公司

    联系人:招商部(先生)

    联系手机:

    固定电话:

    企业邮箱:people@chinapeople.com

    联系地址:浙江省乐清市经济开发区(柳市人民工业园)

    邮编:325600

    联系我时,请说是在智能安防网上看到的,谢谢!

    商品详情
      产品参数
      品牌人民电器
      产地浙江
      是否进口
      产品系列XJ01E
      额定电流28
      额定电压400
      额定绝缘电压400
      防护等级ip20
      应用场景电动机控制与保护
      操作方式自动
      是否可逆
      加工定制
      3C证书编号2011010304478002
      可售卖地全国
      用途减压起动
      类型软起动器
      型号XJ01E

      注:网上所有产品资料仅供参考,如有疑问请打电话400 898 1166核实确认,尤其是开孔尺寸与技术参数等重要参数,为了避免公司技术更新或升级有变动,给你带来不必要的损失,谢谢配合!


    0571-87774297