微网电缆阻抗模拟系统ACLT
微网电缆阻抗模拟系统ACLT
产品价格:(人民币)
  • 规格:完善
  • 发货地:本地至全国
  • 品牌:
  • 最小起订量:1台
  • 诚信商家
    会员级别:钻石会员
    认证类型:企业认证
    企业证件:通过认证

    商铺名称:北京群菱能源科技有限公司

    联系人:姚先生(先生)

    联系手机:

    固定电话:

    企业邮箱:bjqunling@163.com

    联系地址:北京亦庄经济开发区科创14街99号汇龙森科技园33号楼B单元6层

    邮编:100176

    联系我时,请说是在智能安防网上看到的,谢谢!

    商品详情

      微网电缆阻抗模拟系统ACLT

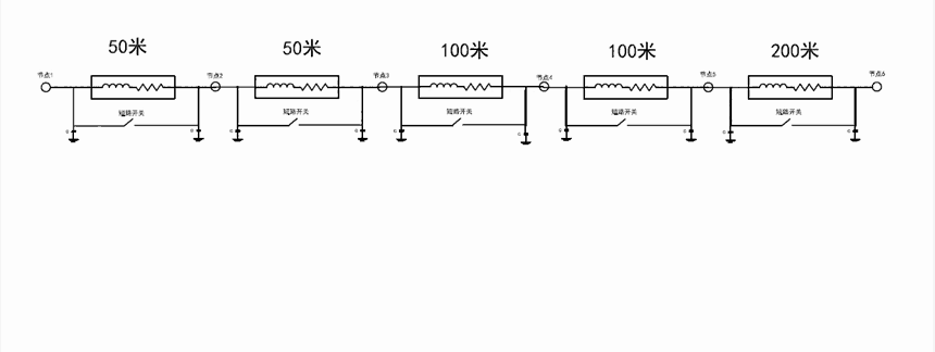
      ACLT系列微网电缆阻抗模拟系统能够模拟50~500米电缆的电缆阻抗参数,且可以接受模拟电缆长度、规格的个性化定制。

      ACLT系列微网电缆阻抗模拟系统带有独立且不同规格的模块,每个模块可单独使用;能够精确模拟对应距离微网接入电缆的阻抗、感抗及容抗值,连接的公共低压供电系统电缆长度的模拟,其步进50米,满足分布式电源实验检测需要,是开发、验证继电保护程序等必备的试验设备。

      一、主要功能:

      ?  模拟微电网接入的线缆特性;

      ?  测量各种保护设备的跳闸时间试验及数据采集;

      ?  短路电流的比较试验;

      ?  测试发生短路时对设备的影响;

      ?  功率传输的影响,线损对接入影响的分析依据;

      ?  可在控制台上调节阻抗、感抗及容抗,实现高效率检测;

      ?  满足本地控制,根据现场实验测量需要,可以任意调节;

      ?  阻性负载采用特殊合金电阻元件,不会产生红热现象,防止由于阻性负载元件发热而引起电阻值热漂移;

      ?  感性负载采用线性电感,精度高,热漂移变化极低;

      ?  过流保护功能:设备超过限值时所有线路模拟会直接自动调节并跳闸为“直通”档。

      二、主要用途及参数

      ?  适用电压范围:0~500V,最大通过电流100A

      ?  每个模块带有短路接触器

      ?  正序电阻为0.008Ω/50米,电抗为0.0035Ω/50

      ?  零序电阻为0.01Ω/50米,电抗为0.005Ω/50

      ?  电缆阻抗参数为: 电阻 0.130Ω/km  电感0.2904mH/km  电容 0.3439μF/km

      ?  零序阻抗:0.043Ω/km  零序电感0.0968mH/km

      ?  基本功率精度:0.2%




      三、产品图:



      线路故障模拟负载

      主要功能:

      可精确模拟不同电缆位置的接地故障,故障点之间可相互切换;

      每个短路回路带有2欧 、5欧、10三种限流电阻;

      带有控制盒软件编程控制,故障持续时间可设置;

      连接的公共低压供电系统电缆接地故障的模拟;

      配电线路故障模拟:包括相间短路、三相短路、单相接地、两相接地、三相接地等故障;

      有温度过热自动阻断保护功能;

      含接地故障模拟,且噪音低,下进线、下出线、上排风、适用于室内工作。


      技术参数:

      *         适用电压范围:0~400V,最大通过电流200A

      *          电阻精度:0.2%

      *          以接地电阻为2Ω为例:稳态故障电流最大达到115A,暂态最大峰值电流约为345A(短时间≈1s);

      *         工作电源:单相 220V 50Hz

      *         适用环境温度范围:-20℃~+40℃;

      *         冷却方式:风冷;

                  外观尺寸及重量:800mm * 800mm* 2000mm(具体高度及重量与系统容量有关)。

      依据标准:

      GB16895.6-2000  建筑物电气装置第五部分电器设备的选择和安装第52章布线系统

      GB_6995.1-1986   电线电缆识别标志

      GBT 3048-2007    电线电缆电性能试验方法

      IEC_60364-5-523  铜芯电线电缆载流量标准

      Q / GDW480 — 2010   分布式电源接入电网技术规定

      Q / GDW564 — 2010   储能系统接入配电网监控系统功能规范

      Q / GDW564 — 2010   储能系统接入配电网监控系统功能规范

      Q / GDW564 — 2010   能系统接入配电网技术规定

      Q / GDW696 — 2011   储能系统接入配电网运行控制规范

      Q / GDW676 — 2011   储能系统接入配电网运行测试规范

      DLT621 — 1997  接地标准


      本文来源:北京群菱能源科技有限公司www.bjqunling.com,转载必须标明出处

    0571-87774297