牧场潜水搅拌机 蓝深潜水搅拌机QJB22/12-620/3-480S水下搅拌机自耦安装
牧场潜水搅拌机 蓝深潜水搅拌机QJB22/12-620/3-480S水下搅拌机自耦安装
产品价格:¥23456(人民币)
  • 规格:QJB22/12-620/3-480S
  • 发货地:南京市六合区
  • 品牌:
  • 最小起订量:1台
  • 免费会员
    会员级别:试用会员
    认证类型:企业认证
    企业证件:通过认证

    商铺名称:南京蓝深制泵(集团)股份有限公司

    联系人:蓝深(先生)

    联系手机:

    固定电话:

    企业邮箱:lanshen@qq.com

    联系地址:南京市六合区雄州东路

    邮编:

    联系我时,请说是在智能安防网上看到的,谢谢!

    商品详情

      牧场潜水搅拌机 

      蓝深潜水搅拌机QJB22/12-620/3-480S水下搅拌机自耦安装

      电机功率22KW

      叶轮直径620mm

      叶轮转速480转/分

      重量:330kg

      南京蓝深潜水搅拌机的性能和结构

      1、结构

      1潜水搅拌器的构造

      南京蓝深潜水搅拌器应整体设计,封闭式连接,潜水型。搅拌器所有的组件包括电机和齿轮箱都应能够在水下连续运转。搅拌器螺旋桨由潜水电机通过减速齿轮驱动。转动头部呈流线锥型,其结构应紧凑。

      除支架和叶片外,搅拌器与液体接触的主要部件应为灰口铸铁,ASTM A48 Class 35B,或 DIN 1691 GG25,表面平整,无砂眼、气孔或其它缺陷。壳体厚度应足以承受水压等荷载。

      所有的螺母、螺钉和垫圈应为 AISI316 不锈钢或更好的材质。

      潜水搅拌器在需要水密密封的临界接触面上应是机械加工面,采用金属与金属接触,并采用腈或氟化橡胶 O 形环,不能使用需要一定的扭力才能达到压紧效果,并且横截面为矩形的橡胶、纸质和化学合成物的垫片。不能使用二次密封复合物,椭圆形密封环、羊毛或其它装置。

      潜水搅拌机、水下搅拌器外部所有与液体接触的铸铁表面都应有环氧树脂涂层喷涂保护。

      搅拌器及其附件和电缆,应能够连续浸没在最大深度为 20 米的水下而不会损失其水密性。

      2)螺旋桨

      螺旋桨应能够处理常规污水。所有螺旋桨在结构设计上是水力平衡的无缠绕和自清洁形式。螺旋桨应精心地进行加工和表面处理。螺旋桨能高效率传递电机输出功率进行混合和推进池底污水流动。

      螺旋桨所有叶片都是相同的形式,间隔距离均匀的。叶片的材质应为不锈钢 AISI304,叶片与轮毂牢固的结合成一个整体,采用单键栓固定在轴的端部,采用保护帽进行密封,并应使用锁定垫圈系统。

      螺旋桨应经动平衡检验合格。

      3)齿轮箱

      搅拌器必须通过高效的行星齿轮箱传动。齿轮箱体与搅拌器壳体应成为一体,应为流线锥形,表面与轮毂和电机壳平滑过渡,从而保证高度稳定性和良好的水力特性,提高搅拌器整体效率。齿轮箱内应配备高精度、高效率、低负载的单极行星齿轮,齿轮齿应由高耐磨合金钢制成。齿轮箱内充油以润滑和冷却,并减少泄漏的影响。

      齿轮箱应由国内知名的变速箱专业制造商制造。设计使用寿命不应低于 100000 小时。

      4)轴

      电机轴和螺旋桨轴通过齿轮箱联接。轴由耐磨不锈钢制造,螺旋桨轴和电机轴能承受所有轴向和径向荷载。螺旋桨轴受机械密封和径向向密封完全保护,与介质隔离。

      5)轴承

      潜水搅拌机电机的轴应在两个球轴承上转动,螺旋桨轴由两个圆锥滚柱轴承支撑。所有轴承采用永久脂润滑的高质量免维护轴承,能承受轴向和径向负载。

      轴承在 0.5Qn< Qn<1.25Qn 范围内运行时(Qn 为工况点),轴承寿命应在 100000 小时以上。

      6)电机

      潜水电机应是三相鼠笼式感应电机。电机的防护等级为 IEC IP68 级,绝缘等级为 F 级,155℃。应有合适的额定功率保证搅拌器在使用中不会发生过载。电机应能每小时启动 20 次。电机轴和转子经动、静平衡测试合格。

      电机应设计成在 40(104F)环境下工作,应能浸入和连续搅拌为 40℃的液体,并且定子绕组的平均温升不超过 80℃。

      电机和电缆必须能在最大 20 米淹深下连续使用而不失去其防水性能

      符合 IP68 防护等级)。

      潜水电机的应能被周围搅拌介质充分冷却,不应依赖冷却套或外部冷却系统。而且电机室内应充绝缘油以确保获得优良的绝缘性能和冷却性能。并防止漏水烧毁电机。

      为监控每相绕阻上的温度,在每相定子绕组线圈中应装有热敏开关, 热敏开关的设定打开温度为 130℃,并接至控制柜,与控制继电器连接。

      7)机械密封

      在搅拌器齿轮箱和螺旋桨之间应配备有一个机械密封和两个径向密封环,径向密封环置于青铜套管上,能对机械密封提供额外的保护,且应方便更换。轴封系统应包括一个密封油腔,机械密封需在油腔内运行。电机室和齿轮箱之间也应安装一对径向密封环。

      机械密封应是免维护的,并且在不影响或失去密封功能的情况下,可以顺时针或逆时针转动。机械密封采用碳化硅材料,具有良好的机械强度和抵抗热冲击特点,介质酸碱度范围应在 410 之间。

      机械密封的设计使用寿命应大于 25000 小时。

      8)电缆和电缆密封

      电机应配有潜水电缆,为包括控制和动力芯线的同一根电缆。电缆应配备单独可靠的电缆进口。电缆的尺寸应符合 IEC 标准并提供足够的长度以接入接线盒或就地控制柜且不需拼接。电缆接入接线室应使用可重复使用的双道压缩橡胶套密封,不能使用环氧、硅树脂或其他二次密封系统进行密封,应保证电缆的更换。电缆出口为轴向,与电机壳外表面同向贴紧布置,同时用电缆夹将电缆固定在提升链上,避免受水流冲击晃动,且不会在起吊时钩住。

      9)电机保护

      温度传感器:所有搅拌器在定子的三相线圈内设 3 只串联的热敏开关

      (PTO),用于监控定子温升。热敏保护应在 130℃时动作,启动报警装置并停下电机。

      泄漏传感器:所有搅拌器都应设置泄漏传感器以探测电机的泄漏情况, 防止水漏入电机造成损坏。泄漏传感器应为电极式传感器,信号应能被监测并在电机进水时发出报警信号。

      潜水搅拌机保护继电器应接受泄漏传感器的报警信号,并输出故障跳闸接点,以便自动切断电机电源停止电机。搅拌器专用保护继电器安装于就地控制箱内,其电源要求为 AC220V。专用保护继电器应随搅拌机配套提供。


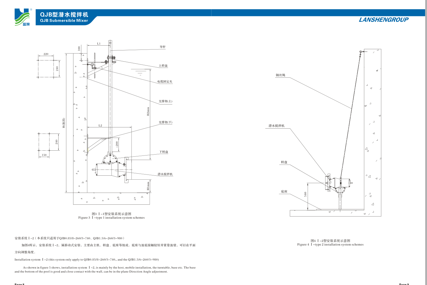
      潜水搅拌机安装注意事项:

      1、导杆应与水平面垂直,可采用铅锤校正;

      2、起吊潜水搅拌机时,叶轮端较水平面应上仰5°;

      3、起吊中心和潜水搅拌机的起吊重心处于同一垂直线上。

      潜水搅拌机的专用安装系统可在无需排出池中污水的情况下,能快速安装和拆卸潜水搅拌机。当池深H<4米时建议采用安装系统Ⅰ。

      潜水搅拌机的潜水深度可以根据需要进行垂直方向的调节,而且在水平面内可绕导杆旋转的大角度为±60°起吊系统底座、支撑架和下托架与池的有关联接面均采用膨胀螺栓固定,无需预留孔。当池深H>4米时建议采用安装系统Ⅱ,需在池底做一混凝土基础(或钢结构底座)

      潜水搅拌机维护说明。

        1、定期更换润滑油,一般周期为半年;

        2、在对机器进行拆卸时要格外注意设备的密封性;

        3、定期对轴承进行更换;

        4、如果油箱发生堵塞,要及时解决。


      潜水搅拌机水封出现故障后,要及时更换水封。具体步骤可参照以下步骤。

        1、从发动机上拆下搅拌器。

        2、旋下搅拌器轴前端的螺母,拆下搅拌器盖板,将叶轮及水封压出。

        3、检查水封,若水封是胶木的,磨损不太严重时,可在玻璃或干木板上放上砂布,将水封磨平或翻面使用。如果是止推橡皮水封,若有损坏、胀大变形以及弹簧压力不足、折断等现象,均应更换新件。

        4、装上水封及锁环等。

        5、装回皮带轮和搅拌器盖板,拧紧固定螺母。

        6、搅拌器装复后检验:用手转动皮带轮,搅拌器轴应无阻滞现象,叶轮与搅拌器机壳应无碰击声响。

        7、将潜水搅拌机装回发动机上,并安好胶管等。

        8、检验搅拌机的工作情況:装复后,加冷却水,起动发动机,经5分钟运转后,潜水搅拌机应无任何碰击声响和漏水的现象为良好。


    0571-87774297