BH-041003-041200-400PSI螺纹进口国外直供
BH-041003-041200-400PSI螺纹进口国外直供
产品价格:¥10.00(人民币)
  • 规格:完善
  • 发货地:上海上海
  • 品牌:
  • 最小起订量:1
  • 免费会员
    会员级别:试用会员
    认证类型:企业认证
    企业证件:通过认证

    商铺名称:上海亨沃设备有限公司

    联系人:黄娟(小姐)

    联系手机:

    固定电话:

    企业邮箱:2851001727@qq.com

    联系地址:上海市宝山区沪太路5355弄10号楼910室

    邮编:200000

    联系我时,请说是在智能安防网上看到的,谢谢!

    商品详情
      产品参数
      品牌菲尼克斯
      封装/规格全包
      通道数多通道
      输入/输出端口1/3
      3/1
      包装标准包装
      最小包装量11
      批号全新
      资质齐全
      售后完善
      价格合理
      严选材质
      口碑良好
      寿命持久
      服务人员专业
      额外特性高温防爆
      可售卖地北京;天津;河北;山西;内蒙古;辽宁;吉林;黑龙江;上海;江苏;浙江;安徽;福建;江西;山东;河南;湖北;湖南;广东;广西;海南;重庆;四川;贵州;云南;西藏;陕西;甘肃;青海;宁夏;新疆
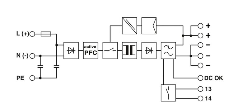
      类型电源隔离器





      DIN导轨式电源装置24 V DC/40 A,初级开关模式,单相。
      请在新系统中使用以下产品项目:2904603
      交流电运行
      额定输入电压范围 110 V AC 240 V AC
      输入电压范围 85 V AC 264 V AC (衰减<100V DC: 2.5/V)
      90 V DC 350 V DC (衰减<110 V DC: 2.5/V)
      AC输入电压范围 85 V AC 264 V AC (衰减<100V DC: 2.5/V)
      DC输入电压范围 90 V DC 350 V DC (衰减<110 V DC: 2.5/V)
      电源电压的电压类型 AC/DC
      冲击电涌电流 < 15 A (典型)
      冲击电流积分 (I2t) < 3.2 A2s
      AC频率范围 45 Hz 65 Hz
      DC频率范围 0 Hz
      电网缓冲时间 > 20 ms (120 V AC)
      > 20 ms (230 V AC)
      电耗量 大约 12.5 A (120 V AC)
      大约 4.5 A (230 V AC)
      额定功耗 1051 W
      保护电路 瞬态电涌保护; 压敏电阻
      典型响应时间 < 1 s
      输入熔断器 20 A (快速熔断,内置)
      允许用的DC备用熔断器 DC: 连接一个合适的熔断器
      推荐使用的输入保护断路器 16 A 20 A (特性B、C、D、K)

    0571-87774297