S-LP60N06D2 车规级场效应管MOSFET -60V -59A 10mΩ LRC
S-LP60N06D2 车规级场效应管MOSFET -60V -59A 10mΩ LRC
产品价格:¥3(人民币)
  • 规格:S-LP60N06D2
  • 发货地:四川成都市
  • 品牌:
  • 最小起订量:1只
  • 免费会员
    会员级别:试用会员
    认证类型:企业认证
    企业证件:通过认证

    商铺名称:四川华芯高工电子有限公司

    联系人:(先生)

    联系手机:

    固定电话:

    企业邮箱:hxggdz@sina.com

    联系地址:四川 成都市 青羊区 西大街84号1-1幢15层1506号

    邮编:

    联系我时,请说是在智能安防网上看到的,谢谢!

    商品详情

      --------------------------------【以上页面标价非成交价,请联系详询报价--------------------------------


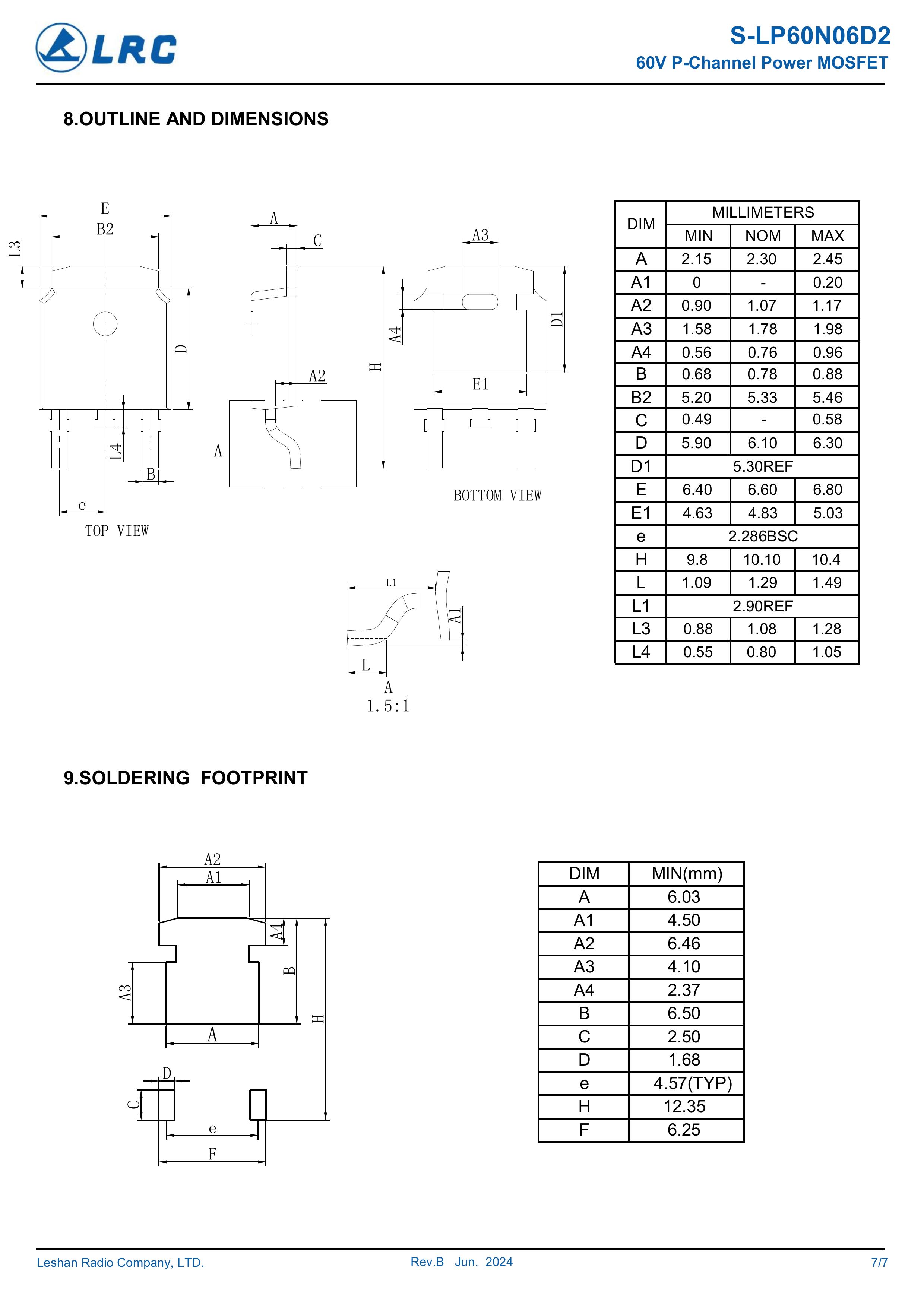
              LRC/乐山无线电 S-LP60N06D2 全新原厂原装中低压高频功率控制电子开关管,车规级P型沟道场效应管-60V、-59A、9.8mΩ、P-Channel、贴片式中低压MOSFET:S-LP60N06D2/P60N06D2。Vds电压:-60V;Id电流:-59A;Rds(on)内阻:9.8mΩ;封装方式:TO-252-2L;最小包装数量:2500pcs/盘-编带。



             S-LP60N06D2 大芯片中低电压大电流低内阻低漏电的分立式功率整流晶体开关管本品采用内置大尺寸芯片,贴片式封装,AEC-Q101车规认证,具有适应中低电压低内阻损耗高频高效恢复等电气特性特点。通用于电源、小家电、锂电池、马达电机、电动工具、无人机、电器、适配器、充电器、逆变器、充电桩、特种电源、高频电源、风光储新能源、医疗设备、工业工控等产品电路作电子开关、控制、整流、放大、钳位、防反接、防逆回流等作用。




             S-LP60N06D2/P60N06D2 车规级中低压MOSFET,以其性能和广泛的应用场景,成为电子设备性能提升的得力助手。无论是追求能效的电源管理,还是需要稳定运行的电机驱动,都能满足您的需求。选择华芯高工电子,选择踏实安心,让我们共同助力电子设备的技术飞跃!


    0571-87774297