CIS1001-50A慈森电机保护器厂家直销
CIS1001-50A慈森电机保护器厂家直销
产品价格:¥550(人民币)
  • 规格:CIS1001-50A
  • 发货地:浙江宁波市
  • 品牌:
  • 最小起订量:1台
  • 诚信商家
    会员级别:钻石会员
    认证类型:企业认证
    企业证件:通过认证

    商铺名称:慈溪巨森电器有限公司

    联系人:陈经理(先生)

    联系手机:

    固定电话:

    企业邮箱:776772173@qq.com

    联系地址:浙江省宁波市慈溪市横河镇龙南村王家桥

    邮编:315318

    联系我时,请说是在智能安防网上看到的,谢谢!

    商品详情

                                                    CIS1001电动机保护器
      CIS1001电动机保护器是本公司研发团队在多年研制电动机保护继电器的基础上开发的新一代智能型的科技产品,采用高精度ARM芯片,高线性度的CT,以及更加快速,更加精准的计时动作来保护控制电动机。保护器具有自动线性修正功能,在较宽电流范围内仍具有很高的精度。广泛适用于电力、石油、化工、纺织、矿山、水泥等工业电动机及其它电器的保护。
      二、主要功能
      ●过载 ●堵转 ●短路 ●欠载 ●相序 ●三相不平衡 ●缺相 ●过压 ●欠压 ●五次故障记忆 ●复位方式可选●过载动作时间定时限反时限通用
      选增功能:〇漏电〇接触器故障〇4-20mA模拟量

      三、正常工作条件

      四、操作指南

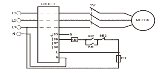
      五、典型应用接线案例图

      六、结构尺寸(单位:mm)

    0571-87774297