• 您好,欢迎来到智能安防网!
  • 请登录
  • 免费注册
  • [ 手机app ]
  • 添加收藏
焦作精箍制动器有限公司
  • 商铺首页
  • 公司介绍
  • 供应信息
  • 公司资讯
  • 客户留言
  • 联系方式
产品分类
  • -风电制动器
  • -液压失效保护制动器
  • -制动器抱闸片
  • -液压盘式制动器
  • -常开制动器
  • -气动块式制动器
  • -电磁块式制动器
  • -电力液压块式制动器
  • -电磁盘式制动器
  • -SBD系列安全制动器
  • -YPZ2系列电力液压臂盘式制动器
  • -DCPZ系列电磁钳盘式制动器
  • -气动盘式制动器
  • -YFX防风臂盘式制动器
  • -推动器配件
  • -液压站
  • -BEd系列防爆电力液压制动器
  • -YDGZ液压顶轨制动器
  • -电力液压推动器
联系方式
联系人:张明明 (经理)
电   话:
手   机:
传   真:
友情链接
产品供应
  • 气动盘式制动器G
  • 气动盘式制动器D
  • 气动盘式制动器F
  • 气动钳盘式制动器
  • 气动制动器RMS
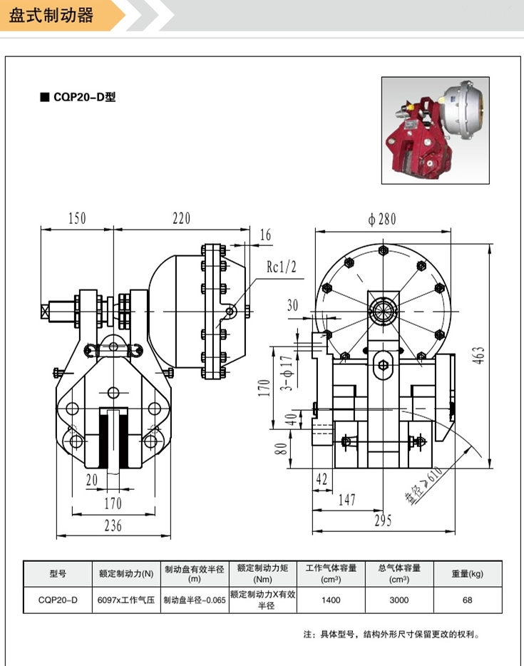
  • 气动制动器CQP
  • 气动制动器RM2
  • 气动钳盘式制动器
  • 气动钳盘式制动器
  • 气动盘式制动器Q
  • 气动盘式制动器D
  • 气动盘式制动器E
  • 气动制动器RA1
  • 气动制动器CQP
  • 气动钳盘式制动器
  • 气动制动器DBH
  • 气动盘式制动器E
  • 气动制动器QP1
  • 气动盘式制动器C
  • 气动盘式制动器Q
[首页][上一页][下一页][尾页] 当前是第 1 页 共155页3098条 20条/页

网站首页 丨  供应产品 丨  公司简介 丨  公司资讯 丨  给我留言 丨  联系方式

焦作精箍制动器有限公司 地址:虹桥工业园区165号
版权所有:智能安防网 经营许可证:浙B2-20080178